Set Appliance State:
| Isolate Mains Power to appliance as per TOPs P4 |
CH Demand
Operating Switch in Heating & Water position
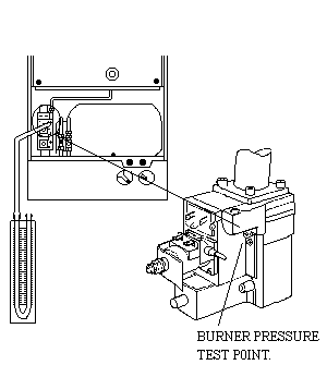
Connect U gauge to burner pressure test point
Connect U gauge to burner pressure test point
Gas On
| WARNING! - Mains voltage is expected during test follow TOPs P4 live testing procedure |
Measurement:
Measure the gas pressure.
Note:
When U-gauge is removed pressure test point should be tightened & checked for gas soundness.
Note:
When U-gauge is removed pressure test point should be tightened & checked for gas soundness.
Isolate as per TOPs P4
and refit as necessary