Set Appliance State:

Isolate Mains Power to appliance as per TOPs P4
Set Multimeter to Resistance Set meter to measure resistance
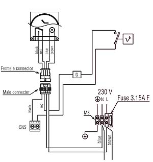
CH Demand
Locate 2x wires which are connected to the
internal timer / programmer switch

Measurement:

Measure for resistance across the 2x wires which are
connected to the timer / programmer switch (see note).
Expected resistance continuity (zero resistance).
Note.
Take into account that a room thermostat or other device may be wired into the circuit for the timer / programmer, ensure resistance test is across the timer / programmer switch connections.