Set Appliance State:
| Isolate Mains Power to appliance as per TOPs P4 |
Ensure No CH demand is present
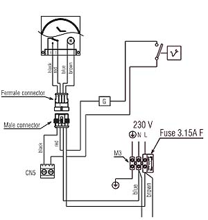
Locate 2x wires which are connected to the
internal timer / programmer switch
Locate 2x wires which are connected to the
internal timer / programmer switch
Measurement:
Measure for resistance across the 2x wires which are
connected to the timer / programmer switch (see note).
Expected resistance open circuit.
Note.
Take into account that a room thermostat or other device may be wired into the circuit for the timer / programmer, ensure resistance test is across the timer / programmer switch connections.
connected to the timer / programmer switch (see note).
Expected resistance open circuit.
Note.
Take into account that a room thermostat or other device may be wired into the circuit for the timer / programmer, ensure resistance test is across the timer / programmer switch connections.
