Adjust, Service, Repair or Replace as necessary
Isolate Mains Power to appliance as per TOPs P4
Isolate Water and Gas as appropriate

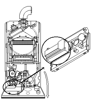
Location:

Upon completion of the fault diagnostics carry out final electrical safety tests and checks as per TOPs (C6).
Part Number: 301239


Refer to ADAPT for further information.

Please leave Feedback about this diagnosis via:
XSOL FEEDBACK FORM

Phone - 722429
or Email - Diaglab@britishgas.co.uk